企业微信客服:
15816852154 (微信同号)
站内搜索:
搜索
网站首页
新闻资讯
最新动态
行业动态
案例分享
自动化智能传感
***产品总览***
TESS
TANGIO
GSNS
AUTONICS
LEM
MEMSIC
压电陶瓷及换能器
电气连接系统
***产品总览***
TYCO
ITW SWITCHES
Panduit
Lumberg
LUTRONIC
Bulgin
ESSENTRA
热传导及机构件
***产品总览***
导热相变化-----Honeywell
紧固件扣具---ITW FASTEX
胶水粘剂------Permabond
防振材料-------------Taica
防振材料------Polymatech
绝缘材料------ITW Formex
石墨 碳微球-----------榮炭
模块方案及热销产品
开关连接器
传感器
导热防振扣具材料
现货库存
模块及解决方案
公司讯息
公司介绍
联系我们
人才招聘
联系我们
主页
>
模块方案及热销产品
>
传感器
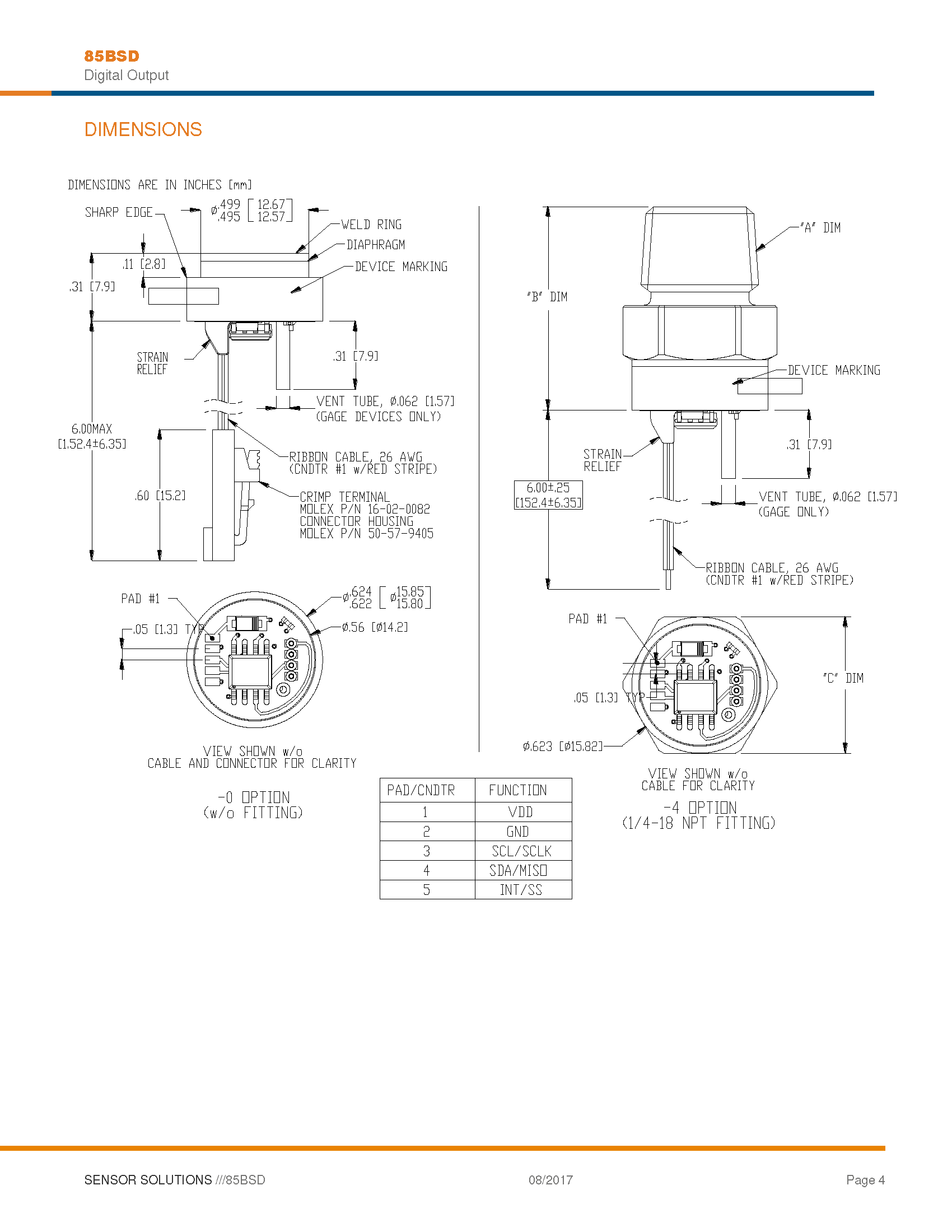
> 85BSD-F 齐平膜式充油压力芯体
85BSD-F 齐平膜式充油压力芯体
上一篇:
纳米位移电容传感器
下一篇:
输液泵测力传感器FX1901
友情链接:
普诠电子-台湾总公司
Copyright @ 2021 普诠电子(深圳)有限公司 电话:0755-89811108 邮 箱:sales@powertronics.com.cn
粤ICP备2024201631号
电脑版
|
手机版
在线留言
客服热线
15816852154 (微信同号)
返回顶部